Главная » АвтоФокусировка » Главный цилиндр сцепления Volkswagen Polo: руководство и рекомендации

Главный цилиндр сцепления Volkswagen Polo: руководство и рекомендации

Узнайте о главном цилиндре сцепления для вашего Volkswagen Polo и получите полезные советы о его обслуживании и замене. Эта ключевая деталь важна для правильной работы сцепления и требует регулярного внимания. Обеспечьте бесперебойную и плавную работу вашего автомобиля с помощью наших рекомендаций и советов.


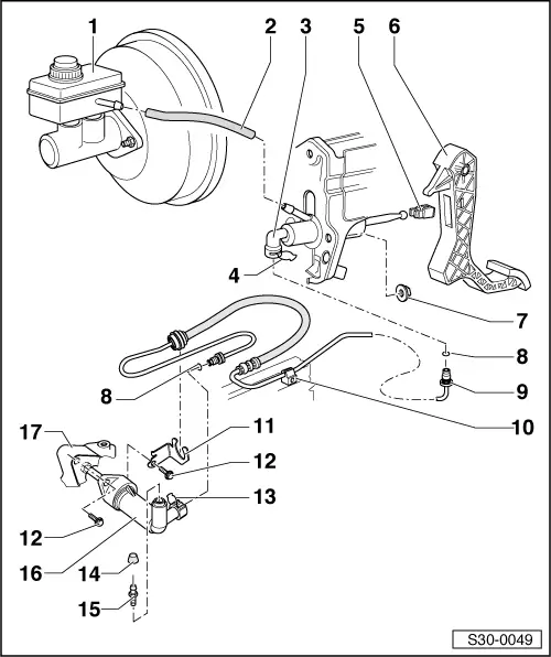
Регулярно проверяйте уровень тормозной жидкости в главном цилиндре сцепления и поддерживайте его на необходимом уровне. Низкий уровень жидкости может привести к проблемам со сцеплением и необходимости в замене главного цилиндра.

фольксваген поло седан с 2010 по 2020 voltman.suй сцепления замена.

Проточка тормозного диска без токарного станка эксперимент

Главный цилиндр сцепления Skoda Fabia, Rapid, VW Polo

Избегайте резких и сильных нажатий на педаль сцепления, так как это может привести к износу главного цилиндра сцепления. Оптимальное использование педали сцепления поможет продлить срок службы данной детали.


ЗАМЕНА ГЛАВНОГО ЦИЛИНДРА СЦЕПЛЕНИЯ. ФОЛЬКСВАГЕН ТИГУАН - VOLKSWAGEN TIGUAN. Снять цилиндр сцепления

ЗАКУСЫВАЕТ ПЕРЕДАЧИ на фольксваген поло (одна из причин). Замена рабочего цилиндра сцепления.

Как ОДНОМУ прокачать тормоза? Проверка лайфхака

Замена главного цилиндра сцепления Golf 7

Как проверить сцепление на авто. Буксует сцепление или нет. Определяем износ диска сцепления

КАК ПРОВЕРИТЬ ГИДРО СЦЕПЛЕНИЕ. ПРОВАЛИВАЕТСЯ ПЕДАЛЬ СЦЕПЛЕНИЯ

При замене главного цилиндра сцепления убедитесь в использовании только оригинальных запчастей Volkswagen. Это гарантирует высокое качество и совместимость с вашим автомобилем, а также исключает возможные проблемы в будущем.

Замена главного цилиндра сцепления на SKODA, VW