Главная » АвтоФокусировка » Полезные советы и идеи для успешной десульфатации аккумулятора

Полезные советы и идеи для успешной десульфатации аккумулятора

Ознакомьтесь с полезными советами и идеями, которые помогут вам правильно провести процесс десульфатации аккумулятора и восстановить его работоспособность.


Проверьте уровень электролита и при необходимости добавьте дистиллированную воду.

Как сделать десульфатацию?

Десульфатация автомобильного аккумулятора - это просто !

Десульфатация аккумулятора, восстановление емкости своими руками. Просто о сложном

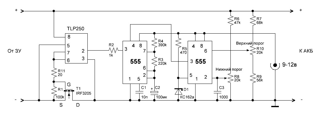
Используйте специальные зарядные устройства или устройства для десульфатации для более эффективной обработки аккумулятора.


Сульфатация. Что это? Как выглядит?

Восстановление автомобильного аккумулятора практически до состояния нового. Подробности, что и как.

Уравновешивающий-восстановительный заряд #аккумулятора. И жить будет долго...

Признаки сульфатации и признаки полной десульфатации автомобильного аккумулятора !

Осциллограммы десульфатации аккумуляторов

Помните, что процесс десульфатации может занять длительное время, поэтому будьте терпеливы и следуйте инструкциям производителя.

Что такое десульфатация? Как избежать сульфатации аккумулятора? [ 130 секунд ]

Оживил аккумулятор содой, даже в -25 крутит как не в себя!