Главная » АвтоФокусировка » Процесс установки и настройки корректора подачи топлива по наддуву: пошаговая инструкция

Процесс установки и настройки корректора подачи топлива по наддуву: пошаговая инструкция

Узнайте, как правильно установить и настроить корректор подачи топлива по наддуву для оптимальной работы вашего автомобиля. Предлагаем пошаговую инструкцию и полезные советы от экспертов.


Перед установкой корректора подачи топлива, обязательно ознакомьтесь с инструкцией производителя и проверьте совместимость с вашим автомобилем.

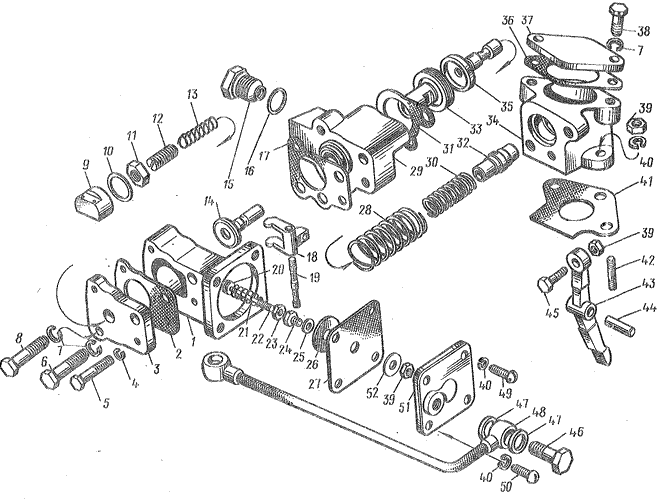
Корректор по наддуву ТНВД 337.20.05( ЕВРО-2)/Разборка/сборка/проверка.

Курьез с корректором ТНВД 75

Регулировка турбокорректора

При установке корректора подачи топлива, помните о необходимости правильной фиксации всех соединений и проверке на отсутствие утечек.


Коллега попросил совета по регулировке корректора по наддуву

МАЗ. Корректор подачи топлива по наддуву ЯМЗ. Ремонтирую,меняю прокладки.

246) Регулировка ТНВД (по многочисленным просьбам МКК), поставьте лайки

Этот ТНВД просто супер.

Ремонт ТНВД КамАЗ евро 2 пневмо корректор УВЕЛИЧЕНИЕ МОЩНОСТИ НА КАМАЗЕ

Настройка корректора

Для настройки корректора подачи топлива, рекомендуется использовать приборы для измерения наддува и контроля коэффициента сжатия, чтобы достичь оптимальных показателей работы двигателя.

Увеличение мощности на камазе ТНВД ЕВРО 2 ЯЗДА с корректором по наддуву. Как добавить топливо