Главная » Автомобильные перспективы » Как составить чертеж для конического роликового подшипника

Как составить чертеж для конического роликового подшипника

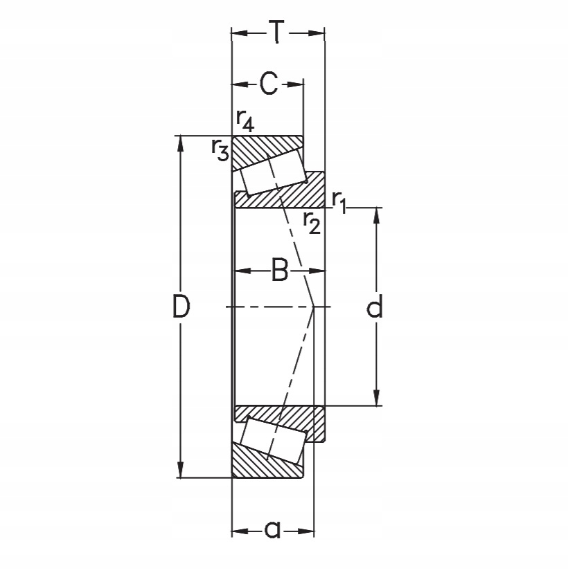
Узнайте о принципе работы и особенностях конического роликового подшипника, а также получите советы по составлению чертежа данного узла.


При составлении чертежа конического роликового подшипника учтите все необходимые размеры и параметры данного узла.

Почему разрушаются конические подшипники?

Подшипник роликовый конический KG 32307, 7607, размеры 35*80*32,75

Вот почему Новый подшипник ступицы гудит уже спустя 10-30 тыщ.

Важно также обратить внимание на оптимальные материалы, применяемые при изготовлении конического роликового подшипника.


Как выбрать подшипник качения? Роликовый или шариковый.

Металлоприёмка - АГРОСОКРОВИЩА - Подшипники - Движки и многое друе -

Инженер из Tesla показал мне, как смазывать подшипник, не открывая его. Теперь я делаю то же самое

Подшипники роликовые конические

Конические роликоподшипники

Не забудьте подробно указать схему расположения роликов и канавок, чтобы обеспечить правильную работу подшипника.

Подшипники конические обзор

Воспринимаемые нагрузки подшипниками качения. Выбираем подшипник правильно