Главная » Автомобильные перспективы » Как адаптировать ибп для использования автомобильным аккумулятором: полезные советы

Как адаптировать ибп для использования автомобильным аккумулятором: полезные советы

Переделка ибп под автомобильный аккумулятор может быть полезной для автолюбителей. Мы предлагаем несколько советов и идей, как осуществить данное преобразование самостоятельно.


Ознакомьтесь с техническими характеристиками ибп и запаситесь необходимыми материалами для переделки.

Бесперебойник APC-650CS и автомобильный аккумулятор Fiamm 60Ah - тихий, беззвучный УПС

Аккумулятор с авто для бесперебойника - есть один нюанс

Про UPS - чего тебе НЕ ПОКАЖУТ лайфхакеры ИЛИ выживальщик БЕЗ ЭЛЕКТРИЧЕСТВА

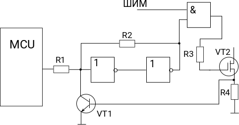
Подключите автомобильный аккумулятор к ибп, используя преобразователь постоянного тока.


переделка бесперебойника под автомобильный аккумулятор

Источник бесперебойного питания UPS + авто аккумулятор

Доработка ибп для работы с автомобильным акб.

Переделка APC Smart UPS для автомобильных аккумуляторов

Подключение бесперебойника UPS к автомобильному аккумулятору

Переделка Источника бесперебойного питания Mustek UPS 600USB под внешний аккумулятор.

Убедитесь в правильном подключении и функционировании системы после переделки. Проверьте работу ибп при отключении основного источника питания.

Мало кто знает об этой функции БЛОКА ПИТАНИЯ от ноутбука!!!