Главная » Автомобильные перспективы » Защитные меры от переполюсовки в автомобильной электронике

Защитные меры от переполюсовки в автомобильной электронике

В этой статье вы узнаете, как обеспечить защиту автомобильной электроники от переполюсовки в сети 12 вольт. Мы предлагаем несколько полезных советов и рекомендаций, которые помогут предотвратить нежелательные последствия, связанные с переполюсовкой.


Установите защитные предохранители

Защита от переполюсовки напряжения на voltman.su voltman.su это работает.

Как сделать защиту от переполюсовки своими руками! Три простых схемы. Часть 1.

Защита от переполюсовки - 5 СПОСОБОВ (Борьба с ошибочным подключением плюса и минуса)

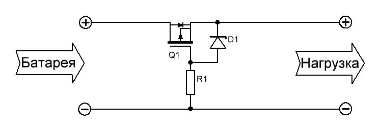
Используйте полярность-обратный диод


Защита от переполюсовки простым способом

Простая защита от короткого замыкания для зарядки или блока питания

Схемы защиты от переполюсовки - Самое понятное и полное видео.

Очень Простая и надежная защита от КЗ. Только три детали!

Защита от переполюсовки для зарядного устройства.

Защита от \

Избегайте неправильного подключения аккумулятора

Как защитить электронные схемы устройств от перепутанной полярности плюса и минуса (переполюсовки)