Главная » Дорожные находки » Практические советы по выбору и установке датчика скорости для Fiat Ducato 244

Практические советы по выбору и установке датчика скорости для Fiat Ducato 244

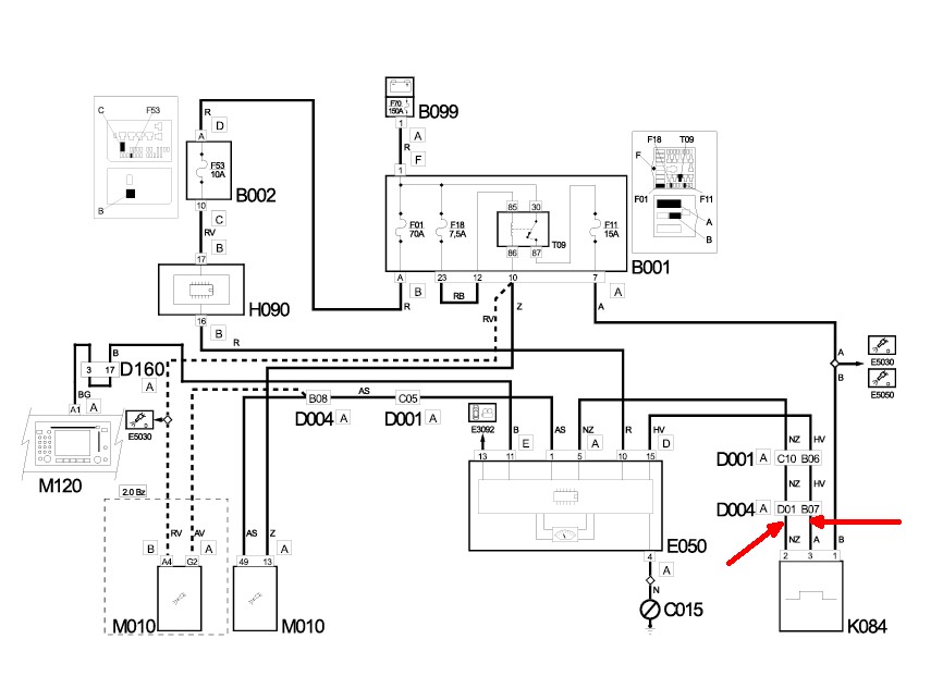
Узнайте, как правильно подобрать, установить и настроить датчик скорости на вашем Fiat Ducato 244, чтобы ваш автомобиль работал без сбоев.


Перед установкой нового датчика скорости рекомендуется проверить состояние проводки и контактов для исключения возможных проблем с его работой.

ПОСЛЕ ЭТОГО авто тупить и жрать топливо больше не будет

Загорелась лампочка ABS... Не спешим тратить деньги

Нива Тревел первые поломки

При выборе датчика скорости обращайте внимание на его совместимость с моделью Fiat Ducato 244 и качество материалов, из которых он изготовлен.


ЛОМАЕТСЯ ДАТЧИК СКОРОСТИ. РЕШЕНИЕ ЭТОЙ ПРОБЛЕМЫ.

проверка датчика скорости

ПУРГААА ВЕРНУЛАСЬ! СПАСАЮТ ДРУЗЬЯ! \

3 способа по проверке датчика скорости (ДСА) своими руками

УВИДЕТЬ НЕВИДИМОЕ! ЗАЛЕЗ ВО ВСЕ ЩЕЛИ! ТЕСТИРУЮ НОВЫЙ ЭНДОСКОП ОТ KERUI.

Проверка датчика спидометра Пежо Эксперт, Ситроен джампи, Фиат скудо

При установке датчика скорости следуйте инструкции производителя и используйте специализированные инструменты для обеспечения правильного подключения и крепления.

Замена штекера и датчика скорости