Главная » Дорожные находки » Оптимальный выбор и установка насоса форсунки для Фольксваген Т5

Оптимальный выбор и установка насоса форсунки для Фольксваген Т5

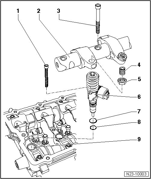
Узнайте, как правильно подобрать и установить насос форсунки для Фольксваген Т5, чтобы обеспечить оптимальную работу двигателя и сохранить его долговечность.


Определитесь с причиной замены насоса форсунки в своем Фольксваген ТПрежде чем приобрести новый насос, убедитесь, что проблема именно в форсунке, а не в других деталях системы питания.

\

Причина резкого дымления VW Transporter T5 1.9d UIS PDE AXB и гильзовка алюминием

ремонт насос форсунок фольксваген

Исследуйте рынок насосов форсунок для Фольксваген ТСравните различные модели и производителей, обратите внимание на рейтинги и отзывы владельцев, чтобы выбрать насос высокого качества и надежности.


Дизель дымит белым дымом,ЧТО ДЕЛАТЬ?

НАСОС ФОРСУНКА!!! Регулировка теплового зазора!

Фольксваген 1.9 тди насос форсунка регулировка

Проверка насос-форсунки VW T5

Как проверить герметичность посадки насос-форсунок на работающем двигателе VW Transporter 2.5d (AXD)

Модернизация крепления насос-форсунки дизель ВМР Фольксваген Пассат В6

При установке насоса форсунки следуйте рекомендациям и инструкциям производителя. Тщательно прочитайте руководство по установке и при необходимости обратитесь за помощью к профессионалам, чтобы избежать ошибок и повреждений в процессе установки.

Фольксваген Т-5 1.9 tdi возникли неполадки после ремонта колодцев форсунок