Главная » Дорожные находки » Полезные советы по подключению реле поворотов на микроконтроллер

Полезные советы по подключению реле поворотов на микроконтроллер

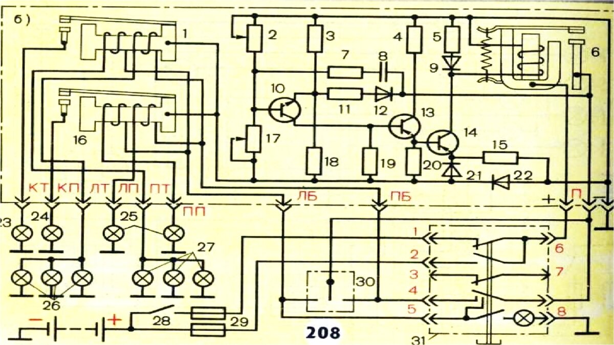
Узнайте, как правильно подключить реле поворотов к микроконтроллеру и обеспечить стабильную работу указателей поворотов. Настройте устройство согласно рекомендациям экспертов и избегайте неприятных сюрпризов на дороге.


Проверьте совместимость реле с вашим микроконтроллером и добейтесь эффективной работы системы.

Не работают поворотники Geely mk Джили мк

Как проверить реле мультиметром, какие бывают неисправности реле.

🚦Как работают указатели поворота, аварийная сигнализация. Поворотники, аварийка.

Не забудьте соединить клеммы реле с проводами указателей поворотов для корректной работы.


Звуки реле поворотов. Варианты

Самое Простое РЕЛЕ ПОВОРОТА ! всего ДВЕ ДЕТАЛИ и очень простая схема!

Как Заставить Ярко Светить Потускневшие Фары Автомобиля, Не Прикасаясь к ним. АвтоХак

Симптомы неисправности реле поворотов

Где находится реле поворотов

Простое надежное реле поворотов 6В - 24В своими руками, 2 контакта

Используйте дополнительные элементы, такие как резисторы, для защиты системы от скачков напряжения и повреждений.

Не включается ПОВОРОТНИК Джили МК - Казалось бы, при чем тут НИ$ЕРЫ?.. #VIGER