Главная » Эволюция автотранспорта » Полезные советы и идеи для создания схем на микроконтроллерах для автомобиля

Полезные советы и идеи для создания схем на микроконтроллерах для автомобиля

Хотите создать собственные схемы на микроконтроллерах для вашего автомобиля? В этой статье мы предоставим вам полезные идеи, а также советы по их реализации, чтобы помочь вам освоить эту увлекательную область автомобильной электроники.


Используйте схемы с открытым исходным кодом в качестве основы для своих проектов. Это позволит вам изучить уже существующие решения и адаптировать их под свои нужды.

Как просто научиться программировать микроконтроллеры PIC и AVR / Бегущие огни за 8 минут!

Автоконтролька 2023 (обзор, схема, сборка)

Блок управления двигателем: устройство, можно ли написать свою программу и использовать по-своему

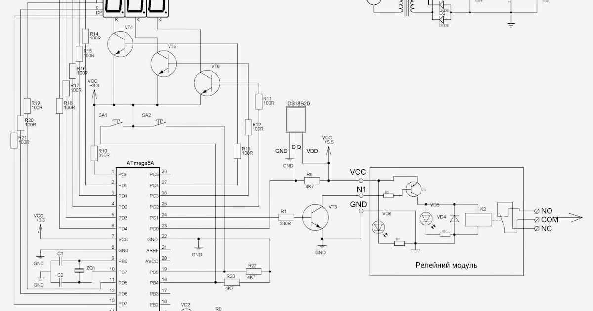
Внимательно изучите документацию к выбранному микроконтроллеру и его возможностям. Это поможет вам лучше понять, какие схемы можно реализовать и какие функции можно добавить.


Миниатюрный вольтметр с функцией осциллографа на Atmega 328 и олед дисплее 0.91\

Контролька из маркера. Все просят сделать!

Как прочитать прошивку из микроконтроллера. Краткий ликбез.

Чтоб kyй был не меньше 20см

Полезный тестер индикатор автоэлектрика, своими руками

Супер-Полезный тестер индикатор автоэлектрика, своими руками.

Не забывайте о безопасности. При работе с автомобильными схемами на микроконтроллерах следуйте рекомендациям производителя и убедитесь в правильной установке и изоляции всех компонентов.

Продвинутая контролька автоэлектрика своими руками - Сергей Штыфан