Главная » Эволюция автотранспорта » Как сохранить тормозную систему Almera N16 в отличной работоспособности

Как сохранить тормозную систему Almera N16 в отличной работоспособности

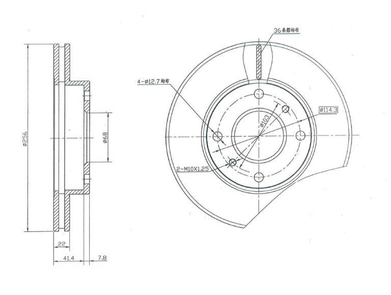
Узнайте о том, как ухаживать за тормозными дисками Almera N16, чтобы сохранить максимальную эффективность торможения и продлить срок их службы. В данной статье мы расскажем вам о ключевых моментах по уходу за тормозами этой модели автомобиля, а также дадим полезные советы.


Правильно подбирайте тормозные колодки, оптимально сочетающиеся с тормозными дисками Almera N1Выбирайте колодки, которые соответствуют вашему стилю вождения и условиям эксплуатации автомобиля.

NISSAN Almera N16. Как правильно проточить тормозные диски

Замена задних тормозных дисков и колодок на примере Ниссан Альмера N16

УБИРАЕМ БОРТИК С ТОРМОЗНОГО ДИСКА - 10 МИНУТ И ТОРМОЗА КАК НОВЫЕ !!!!!! .

Регулярно проверяйте толщину тормозных дисков и меняйте их при достижении предельно допустимого износа. Если диски становятся слишком тонкими, их механическая прочность может снизиться, что приведет к ухудшению тормозных характеристик и повышенному риску поломки.


Дешёвые тормозные диски на замену твоим TRW и BREMBO!

Замена тормозных колодок и дисков Nissan Almera 1.8 2006

Замена колодок и тормозного диска на Nissan Almera n16.

Замена тормозных дисков и колодок с покраской суппорта на Ниссане Альмера N16

Как ОДНОМУ прокачать тормоза? Проверка лайфхака

Избегайте резкого и частого нажима на педаль тормоза, постепенно замедляйте скорость автомобиля, чтобы дать тормозам Almera N16 время для равномерного и эффективного сцепления колодок с дисками. Это поможет избежать преждевременного износа и повреждения дисков.

Замена тормозных дисков на Nissan Almera N16

НИКОГДА НЕ СТАЧИВАЕТЕ БУРТИК НА ТОРМОЗНОМ ДИСКЕ АВТОМОБИЛЯ . . ?