Главная » Советы автолюбителям » Электронная система курсовой устойчивости: обеспечение безопасности и стабильности вашего автомобиля

Электронная система курсовой устойчивости: обеспечение безопасности и стабильности вашего автомобиля

Узнайте, как работает электронная система курсовой устойчивости (ESP) и какие преимущества она дает водителю. Узнайте, как использовать ESP правильно, чтобы улучшить управляемость автомобилем в различных ситуациях на дороге и снизить вероятность ДТП.


При экстренном торможении не отпускайте педаль газа - это позволит электронной системе курсовой устойчивости активироваться быстрее и предотвратить занос автомобиля.

ESP. Что может и как работает.

Минусы жизни в Питере. Почему хочу уехать спустя 12-ти лет жизни.

Система курсовой устойчивости ESP автомобиля принцип работы

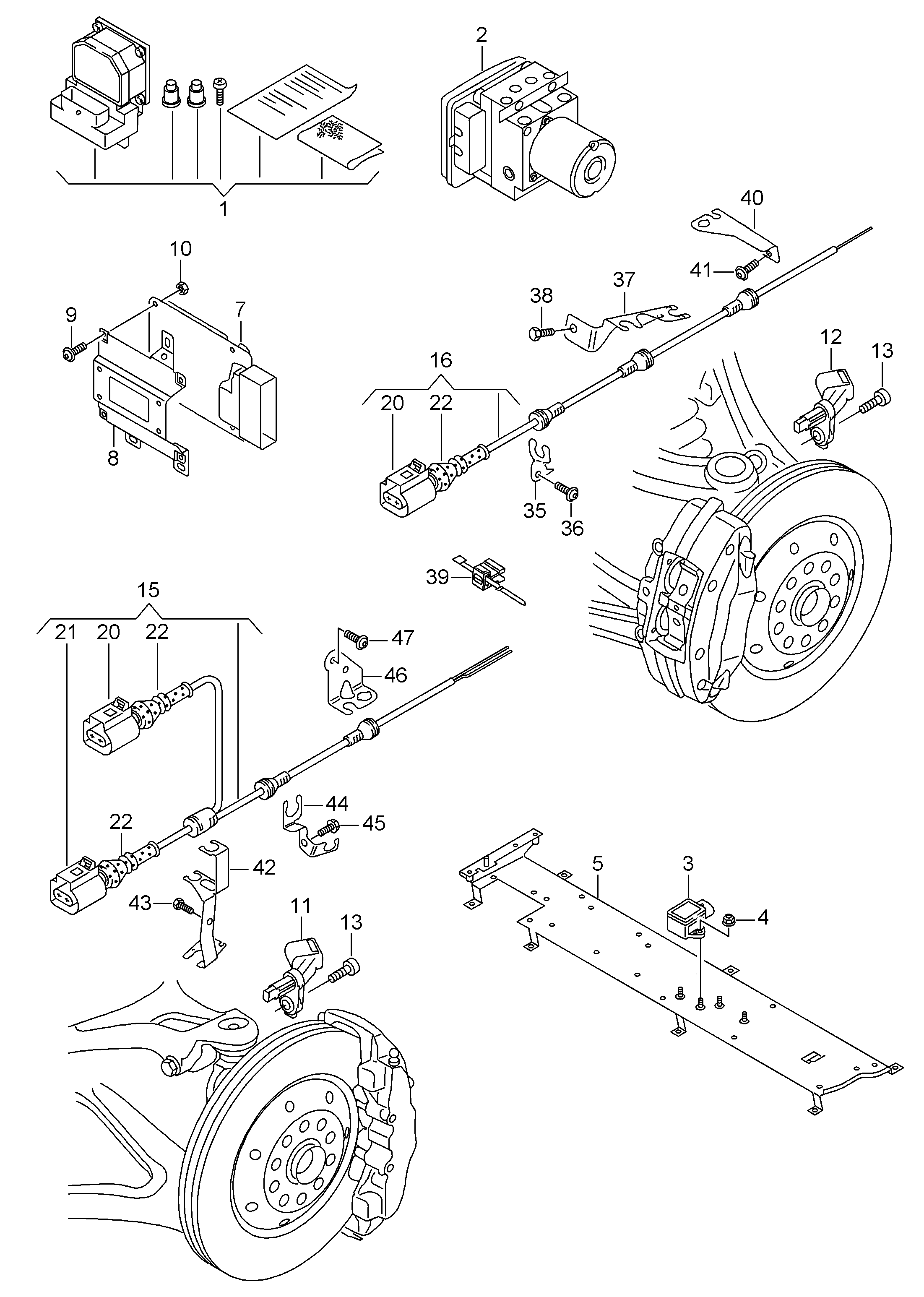
Не забывайте поддерживать регулярное техническое обслуживание автомобиля, включая проверку и обновление программного обеспечения электронной системы курсовой устойчивости.


HAVAL F7: Занос на обледенелой трассе. Система ESP спасла от ДТП.

Lada Vesta работа ESC

ESP Программа Электронной Стабилизации

Дороги тракторами перекрывайте, Витя Золотов, быстрее везите ОМОН

Контроль курсовой устойчивости (или ESC) - Как работает?

КАК работает ESP ?! ОБЯЗАТЕЛЬНО ЧТОБЫ БЫЛО И У ВАС В АВТОМОБИЛЕ! ВЕСТА vesta

При движении по скользкой дороге удерживайте ровное перемещение рулевого колеса и избегайте резких маневров, чтобы электронная система курсовой устойчивости могла эффективно контролировать стабильность автомобиля.

Что такое ESP и ABS ?