Главная » Советы автолюбителям » Как работает система Эсуд в автомобиле?

Как работает система Эсуд в автомобиле?

Эсуд - это система, которая отвечает за электростабилизацию управляемости автомобиля. Она обеспечивает устойчивость на дороге и повышает безопасность во время движения.


Блок управления двигателем: устройство, можно ли написать свою программу и использовать по-своему

урок 10,Что такое эбу,мозги в автомобиле

Почему сгорает эбу, контроллер управления инжекторным двигателем на авто. Частая причина


ECM , ЭБУ, ЭСУД , voltman.suтер двигателя . Как в этом разобраться?

Когда же требуется ремонт блока управления или его замена??? (Видео №73)

Признаки неисправности ЭБУ

Как устроен автомобильный двигатель

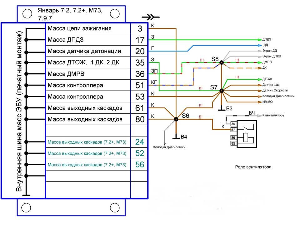
C чего начать ремонт ЭБУ: вскрытие и распиновка

Блок управления двигателем. Как устроен. Как не поломать)

Сброс ЭБУ с инициализацией. Зачем, когда и почему.