Главная » Советы автолюбителям » Комплексная распиновка мозгов двигателя 1g fe: подробная инструкция с советами

Комплексная распиновка мозгов двигателя 1g fe: подробная инструкция с советами

Узнайте о правильной распиновке мозгов двигателя 1g fe и научитесь избегать ошибок и повреждений. В данной статье вы найдете подробную инструкцию и полезные советы по распиновке мозгов 1g fe, которые помогут вам справиться с этой задачей профессионально и без проблем.


Перед началом распиновки мозгов двигателя 1g fe, рекомендуется полностью отключить аккумулятор и дождаться разряда электрической системы. Это позволит избежать возможных коротких замыканий и повреждений при работе с электроникой.

Распиновка ЭБУ #toyota #лайфхак #jdm

Признаки неисправности ЭБУ

Toyota 1G-FE поломки и проблемы двигателя - Слабые стороны Тойота мотора

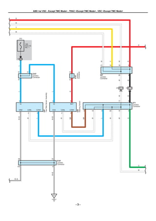
При распиновке мозгов 1g fe, внимательно изучите диаграмму распиновки, которая предоставляется производителем или может быть найдена в руководстве по ремонту. Это поможет правильно расположить контакты и избежать ошибок при подключении.


Топливо и мозги - 05 Настройка 1G-FE Beams Turbo

Toyota MARK II 2001: 1G-FE 2.0L BEAMS

MARK 2 CHASER БОЛЬШОЙ РАСХОД НЕ СТАБИЛЬНАЯ РАБОТА.

1G FE SWAP В CROWN до 1990. Автономная электрика для свапа своими руками+адаптация щитка voltman.su

Система зажигания. Выставляем зажигание 1G-FE Toyota Mark 2 стробоскоп+перемычка+сброс эбу

В процессе распиновки мозгов двигателя 1g fe, рекомендуется использовать специальные инструменты, такие как разъемы и переходники, чтобы обеспечить надежное соединение контактов. Также стоит проверить состояние проводов и контактов на наличие коррозии и повреждений перед их подключением.

Самодиагностика 1g fe

1g fe поставил и завел. Самодиагностика Тойоты: пример считывания ошибок с эбу в поездке