Главная » Советы автолюбителям » Изучаем работу свечей в дизельных двигателях: принципы и поддержание в рабочем состоянии

Изучаем работу свечей в дизельных двигателях: принципы и поддержание в рабочем состоянии

Узнайте о принципе работы свечей в дизельных двигателях и методах их обслуживания для эффективной эксплуатации вашего автомобиля.


Регулярно проверяйте состояние и зазор свечей

🔸 Как работают свечи накала на самом деле Ниссан Патфайндер. Заводи дизель правильно.

Устройство которое сейчас должно быть у каждого водителя!

ПЛОХОЙ ПУСК ДИЗЕЛЯ НА ХОЛОДНУЮ - КАК ПРОВЕРИТЬ СВЕЧИ НАКАЛА - ДИАГНОСТИКА СВОИМИ РУКАМИ.

Используйте качественное топливо для предотвращения накопления отложений


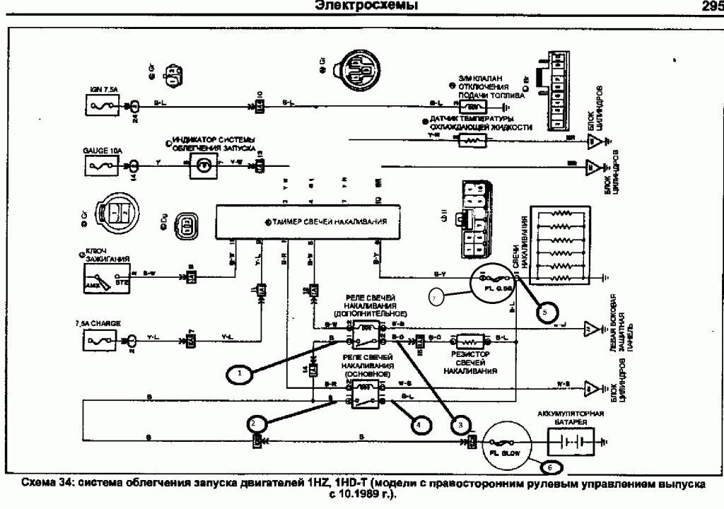
Почему в дизелях используют свечи накаливания?

Холодный запуск дизеля в мороз, как долго греют свечи накала дизеля. Время прогрева свечей Volvo D5.

Как правильно откручивать закоревшие свечи накала? Личный опыт.

Датчик свечи накала моргает при работающем авто :(

Что такое свеча накаливания

Правильное обслуживание свечей поможет избежать проблем с запуском и стабильной работой двигателя

Обман блока управления свечей voltman.su

Дизельный двигатель КАК ПРАВИЛЬНО заменить свечи накаливания / Свечи накала дизель