Главная » Советы автолюбителям » Как правильно применять ручник на автомобиле Toyota Prado 120: полезные советы

Как правильно применять ручник на автомобиле Toyota Prado 120: полезные советы

Узнайте, как правильно использовать ручник на автомобиле Toyota Land Cruiser Prado 120. Получите полезные советы и рекомендации по применению ручника для обеспечения безопасности и сохранности вашего автомобиля.


При парковке на наклонной поверхности всегда убеждайтесь, что ручник надежно затянут.

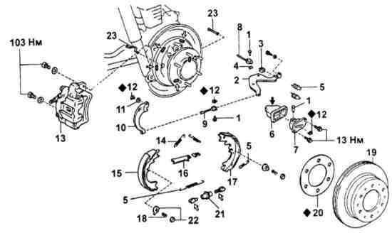
Как собрать колодки ручника. Lexus Gx470, Prado 120.

Ремонт задних суппортов и замена колодок ручника Прадо 95

Ландкрузер Прадо 120 регулировка тросов ручника или замена

Перед использованием ручника, убедитесь, что автомобиль полностью остановился и находится в режиме нейтрали.


Toyota Prado 120 троса ручника замена.

Gx470, Prado 120. Колодки ручника TRW GS8716 - это фиаско😂 Неоригинал дал жару. Будьте внимательны!!

Подтяжка ручника Toyota LC 120 voltman.su brake.

Регулировка рычага стояночного тормоза ПРАДО-120 ( LEXUS GX-470)

Особенности замены КОЛОДОК РУЧНИКА Toyota LandCruiserPrado

Как отрегулировать ручной тормоз на LEXUS GX470, PRADO 120

Не оставляйте автомобиль с защелкнутым ручником на длительное время в экстремальных погодных условиях, таких как сильные морозы или высокая влажность, чтобы избежать обрыва троса ручника.

Замена тросов и колодок ручного тормоза на Toyota Land Cruiser Prado 120 и их регулировка