Главная » Советы автолюбителям » Грамотное подключение блока предохранителей на Уаз хантер: полезные советы и пошаговая инструкция

Грамотное подключение блока предохранителей на Уаз хантер: полезные советы и пошаговая инструкция

Уаз хантер - популярный внедорожник, который требует особого внимания к электрооборудованию. Один из важных элементов системы - блок предохранителей, который обеспечивает безопасное использование автомобиля. Чтобы правильно подключить этот блок, нужно следовать определенной схеме и учесть несколько важных моментов. В данной статье мы предоставим полезные советы и подробную инструкцию по подключению блока предохранителей на Уаз хантер, чтобы обеспечить безопасность и надежную работу автомобиля.


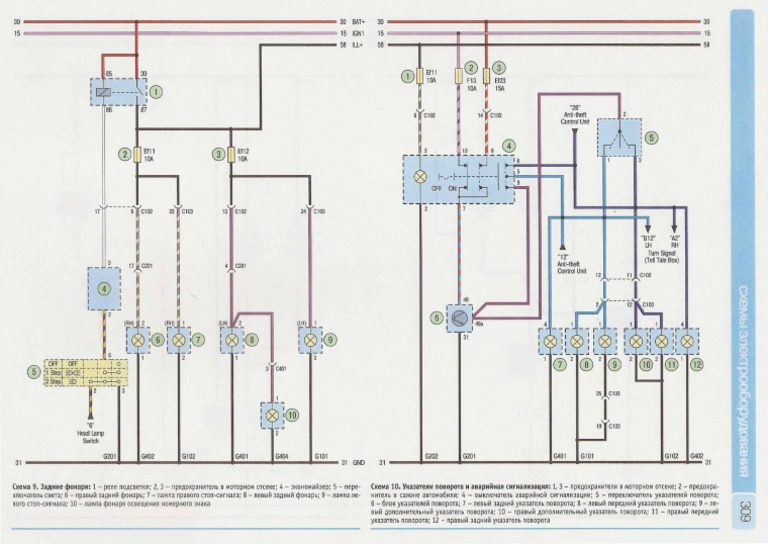
Перед началом работы необходимо тщательно изучить схему блока предохранителей для Уаз хантер. Номера и назначение каждого предохранителя должны быть четко отображены на схеме, чтобы правильно распределить нагрузку и обеспечить защиту электрооборудования автомобиля.

УАЗ патриот. Отказ половины электрики.

Уаз Патриот устраняем недочёты печки . Уличный воздух минуя печку , фильтр попадает в салон.

Блок предохранителей на УАЗ 3151 (дополнительный)

При подключении блока предохранителей рекомендуется использовать обжимные соединители или винтовые зажимы для надежной фиксации проводов. Важно правильно обозначить каждый провод, чтобы при необходимости можно было легко определить его назначение и произвести замену предохранителя при неисправности.


Самоизлечение УАЗ Патриот!

Ты точно этого не знал! Как быстро найти сгоревший предохранитель без мультиметра?

Уаз Патриот 2017 Блок предохранителей расположение. Часть1.

Уаз Хантер / Перестало работать освещение

Пропало напряжение УАЗ Патриот. Решаем проблему с силовым предохранителем на 80А.

Вечный предохранитель!!! Секрет автоэлектрика. Как найти короткое замыкание при помощи лампочки

Необходимо организовать надежное заземление блока предохранителей Уаз хантер. Для этого рекомендуется использовать специальные контакты или провода, которые должны быть надежно закреплены на металлической раме автомобиля. Это поможет предотвратить возможные короткие замыкания и повреждения электрооборудования.

Предохранители и реле УАЗ Патриот с описанием и схемами блоков